ул. Базовая 17, Одеса, Україна
+380 (93) 170-36-65
Tovarov
вверхвниз

Опис товару

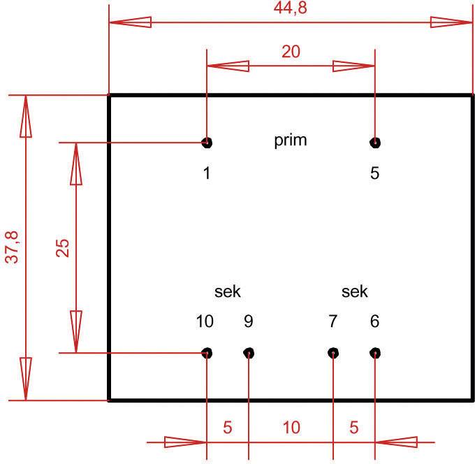
Трансформатор для друкованих плат EI 42/14.8

Характеристики продукту
- 1 x 230 В
- 2 x 4,50 В змінного струму
- 533 мА
- 4,80 ВА

Опис
Герт PT420902 |
Характеристики
| Користувальницькі характеристики | |
|---|---|
| Ваги | 192 |
| Волість | 4.8 |
| Вхідна напруга | 230 |
| Вхідний сигнал (число x напруга) | 1 х 230 В |
| Висота продукту | 32 |
| Вихідна напруга | 2 x 4,50 В змінного струму |
| Вихідний струм | 533 |
| Довжина виробу | 38 |
| Кількість виходів | 2 |
| Кількість записів | 1 |
| Максимальна температура довкілля | +70 |
| Модель із каталогу виробника | PT420902 |
| Первинна напруга | 230 |
| Розміри | (Д x Ш x В) 38 x 45 x 32 мм |
| Вміст | 1 |
| З'єднувальні компоненти | паяний |
| Тип продукту | друкована плата трансформатора |
| Ширина вироби | 45 |
Інформація для замовлення
- Ціна: 961 ₴


